
1,三大厂家名词统一
首先,“双原生ISO”这个词最先在手机端出现,还得追溯至绿厂 Find X2 Pro 主摄所搭载的索尼IMX689,其所指的是传感器每个像素都拥有两套一高一低的模拟增益电路,可切换使用。
所以若按照这个意义来说,“双原生ISO”技术就应该叫作 DAG 技术才对。
结果后面小米却不按套路出牌,其将OV48C那本来应该叫作 DCG 的技术也叫作“双原生ISO”技术,并将更进一步的 DCG-HDR 技术叫作“双原生ISO Fusion”技术,于是后面就乱套了。
这时候,就不能跟着手机厂家的营销词汇走,得看CIS厂家的技术文档才行。

那么,同样都被称为“双原生ISO”技术的 DCG 和 DAG 到底有何区别呢?具体来说就是,前者可靠小电容的高转换增益压制读出噪声,而后者则可通过低模拟通路尽量避免画面过曝。
基于这些区别,更进一步的 DCG-HDR 便能通过高、低转换增益的单帧融合去大幅拓展暗光侧的动态范围,而 DAG-HDR 则可通过两套“PGA+ADC”通路之读出融合获得超越 ADC 本身精度限制的高bit图像。
所以,这两种路线实际上都是有各自独特优势的 HDR 技术,两者不仅不互斥还能有互补奇效——可最大程度地拓展暗光侧和高光侧之动态范围,只要电路层制程和堆料预算能允许。

至于传感器厂家的命名情况,三星这边是将 DCG-HDR 命名为 Smart-ISO Pro 技术,至于 DAG 则命名为 DSG 技术,并在旗舰产品HP2上实现了将这两种技术打包应用的壮举!
索尼这边就没那么多弯弯绕绕,该是 DCG-HDR 还是 DAG-HDR 技术,那都是原名词在用。
而豪威这边若是官方信息的话技术名词也没啥变化,但需要了解其特色 TheiaCel 技术,指的是利用 LOFIC 技术 与 DCG-HDR 或 DAG-HDR 等技术的组合,去拓展动态范围。

2,具体单曝光HDR技术解析
①,DCG-HDR——以 DCG 技术“大小电容”组合所提供的高、低转换增益为基础,再通过可以控制每个像素转换增益值的新增晶体管,从而实现像素四合一模式下的高感动态范围拓展。
②,DAG-HDR——经由 SF(源极跟随器)放大的转换增益值,再继续由高、低模拟通路的 ADC 读出并融合,便可在低感下实现超越 ADC 精度的动态范围。
③,双原生ISO Fusion Max——这其实就是OV48C的 DCG-HDR 技术增强版,其高低转换增益值被拓展至最大相差16倍,这有助于进一步提高HDR图像的暗部细节表现,如今在业界已普及。

④,DAG&DCG HDR——将 DAG-HDR 基于两套模拟增益而获得的低感动态范围优势,和 DCG-HDR 显著的高感动态范围拓展进行了整合,既取长补短又可实现强强联合。
例如在大光比环境中,应用高转换增益的像素与高模拟增益配合便可让暗部变得更有细节且更纯净,而应用了低转换增益的像素与低模拟增益配合又可进一步压制高光以增加细节。
⑤,LOFIC——这个词是“横向溢流积分电容器”的意思,工作原理如下图所示,只要 FD 小电容积累的光生电子饱和了便会自动溢出到 LOFIC 大电容中,但因结构复杂而难以普及。

⑥,TheiaCel——其核心思想是基于 LOFIC 技术,搭配其它单曝光HDR技术拓展动态范围,在汽车端传感器搭配的是 DCG 技术,而在手机端的OV50K则是搭配了 DAG 技术。
搭配了 DAG 技术后,不仅小电容的转换增益值能被单独读出,LOFIC 电容那边的转换增益值也能被单独读出。反观 DCG-HDR 技术,在单曝光中只能小电容或者串联电容二选一。
所以理论上OV50K可以实现全像素单曝光HDR,而无需像 DCG-HDR 和 DAG&DCG HDR 那样依赖像素四合一的片上合成机制,结果荣耀率先商用后却并没有实现这个超牛特性。

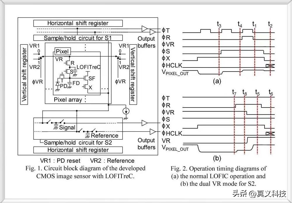
3,LOFIC 技术工作流程
如下图右侧时序图所示,T 代表传输晶体管,R 代表复位晶体管,S 代表 FD 电容和 LOFIC 电容的连接开关,X 代表选择晶体管;看到左侧,还可以发现像素周围那两套双采样电路。
工作模式(a):t1代表依次导通 X、S、R、T 并由S2电路读出复位值,然后t2开始曝光,接着t3导通 X、T 将PD饱和的电荷转移至 FD 电容并由S1电路读出电压值,最后t4继续导通 S 并由S2电路读出 LOFIC 电容的电压值。
工作模式(b):T、S 会一直导通,t5代表导通 R 后的“FD+LOFIC”复位,然后t6开始曝光,接着t7导通 X 并由S2电路读出光信号值,最后t8继续导通 R 再由S2电路读出参考值。

假如时序图太抽象看不懂也没事,如下图所示通过具体的工作图便可增进理解,其中(b)工作模式是S2电路第二次采样的具体步骤——所以第二次曝光是模拟示意而非实际曝光。
这样那些复位过程,还有S2电路的复杂读出操作,都是为了啥呢?这个就和像素电路的各种底噪有关了,绕弯的工作流程都是为了消除这些底噪。
打个简单比方:复位就相当于抽旧水放新水,但有些残留水抽不干净,这时候就只能把残留水位给测出来;然后再放水测出总水位,最后总水位减去残留水位就是精准的新水量了。

经过那些复杂的工作流程之后,最终便可得到 FD 读出值、LOFIC 读出值、“FD+LOFIC”读出值这三种转换增益值,而这三种转换增益就是后面进行HDR合成的基础。
基于此设计特点,FD 电容便能设计得尽量小而 LOFIC 电容则可以设计得尽量大,这就意味着转换增益值的上限得到了极大拓展!而三种转换增益值的应用又可应对更多复杂光照场景。
当然,工艺复杂占地面积大成本太高也是 LOFIC 技术的明显缺点,而且从荣耀Magic6至臻版的商用结果来看,OV50K并没有展现出如官方宣传般的动态范围碾压实力。

总结:
1,DCG-HDR——豪威OV48C业界首发,三星将其称为 Smart-ISO Pro 技术,可以通过像素四合一片上完成高、低转换增益的单曝光HDR合成,从而使动态范围有效拓展至低光侧。
2,DAG-HDR——三星HP2业界首发并将名称改为 DSG-HDR,其可以针对图像的暗部和亮部匹配不同的模拟增益,避免因暗部需要高转换增益而让亮部过曝,因此高光侧动态极优。
3,DAG&DCG HDR——依然是三星HP2业界首发,即“DSG+Smart-ISO Pro”技术组合,完美结合了这两个技术在低光侧和高光侧的动态大拓展,而且依然是无伪影的单曝光HDR。
4,TheiaCel&LOFIC——在OV50K上是 LOFIC 技术和 DAG-HDR 技术的结合体,但商用后在业界并无很明显的领先优势,且其动态范围值还存在“极短交错曝光HDR”的刷分现象。

如上图所示,OV50H技术文档中的 HDR 支持行列中明确显示有 VS RAW 的存在,而这个 VS 指的就是 Very short 即“极短交错曝光”之意,而在OV50K技术文档中亦有 VS 的存在。
也就是说,本来大家在宣传单曝光 HDR 技术之时所标的动态范围是基于同一技术条件,结果豪威这边却混入了多曝光 HDR 的动态范围拓展帧,这种有水分的结果就不太适合吹嘘了。
由此也可以看出豪威虽是CIS领域的国产之光,但在与索尼和三星竞争时还是偏弱势地位,所以在宣传技术时就会偏向于一种“小米爱跑分”的状态。
但总的来说,希望国产崛起还是靠脚踏实地为好,毕竟豪威在技术过硬和国产标签的加持下于手机用户心中之接受度还是挺高的,完全没必要学小米用“跑分”来宣传技术实力。






